- 搪玻璃设备
- 王经理:05332860177
- 不锈钢有色金属设备
- 傅经理:13906430854
- 衬四氟设备及配件
- 傅经理:15253328001
- 技术咨询服务
- 王经理:18653342297
不锈钢储罐
来源:未知??日期:2022-04-21

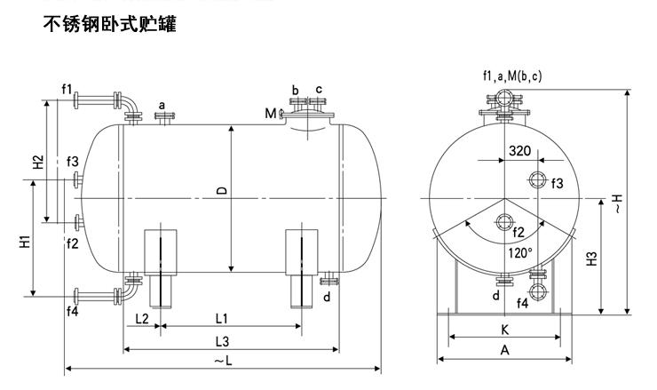
不锈钢卧式储罐主要参数表、管口尺寸表
|
公称容积 VN(L) |
实际容积 VN(L) |
主要尺寸(mm) | 管口公称直径 DN |
重量 (KG) |
|||||||||||||||
| D | H1 | H2 | H3 | H | L1 | L2 | L3 | L | A | K | a | b | c | d | f1-4 | M | |||
| 3000 | 3337 | 1450 | 1100 | 1200 | 1089 | 2146 | 934 | 260 | 1454 | 2288 | 1300 | 1090 | 80 | 70 | 70 | 80 | 70 | 400 | 1700 |
| 4000 | 4457 | 1450 | 1100 | 1200 | 1089 | 2146 | 1494 | 320 | 2134 | 2968 | 1300 | 1090 | 80 | 70 | 70 | 80 | 70 | 400 | 2000 |
| 5000 | 5550 | 1600 | 1200 | 1200 | 1166 | 2300 | 1420 | 360 | 3140 | 3052 | 1430 | 1180 | 80 | 70 | 70 | 80 | 70 | 400 | 2500 |
| 6300 | 7024 | 1750 | 1300 | 1300 | 1243 | 2454 | 1474 | 390 | 2254 | 3246 | 1560 | 1300 | 80 | 70 | 70 | 80 | 70 | 400 | 3200 |
| 8000 | 9810 | 1900 | 1300 | 1400 | 1318 | 2604 | 1590 | 420 | 2430 | 3496 | 1690 | 1420 | 80 | 70 | 70 | 80 | 70 | 400 | 3800 |
| 10000 | 11094 | 2000 | 1400 | 1400 | 1368 | 2704 | 1880 | 450 | 2780 | 3900 | 1780 | 1490 | 100 | 80 | 80 | 100 | 70 | 400 | 4700 |
| 12500 | 13920 | 2000 | 1400 | 1400 | 1368 | 2704 | 2740 | 470 | 3680 | 4800 | 1780 | 1490 | 100 | 80 | 80 | 100 | 70 | 400 | 5700 |
| 16000 | 17756 | 2200 | 1500 | 1500 | 1470 | 2908 | 2840 | 500 | 3840 | 5080 | 1950 | 1680 | 100 | 80 | 80 | 100 | 70 | 400 | 6700 |
| 20000 | 22332 | 2400 | 1600 | 1600 | 1572 | 3112 | 2930 | 550 | 4030 | 5374 | 2130 | 1890 | 100 | 80 | 80 | 100 | 70 | 400 | 8300 |
| 25000 | 27790 | 2800 | 1800 | 1900 | 1774 | 3516 | 2280 | 600 | 3480 | 5028 | 2470 | 2240 | 100 | 80 | 80 | 100 | 70 | 400 | 9900 |
| 30000 | 33300 | 3000 | 1900 | 2000 | 1876 | 3720 | 2370 | 630 | 3630 | 5282 | 2650 | 2430 | 100 | 80 | 80 | 100 | 70 | 400 | 12300 |
| 40000 | 42100 | 3000 | 1900 | 2000 | 1876 | 3720 | 3600 | 630 | 4860 | 6512 | 2650 | 2430 | 100 | 80 | 80 | 100 | 70 | 400 | 15900 |
| 50000 | 52630 | 3000 | 1900 | 2000 | 1876 | 3720 | 5088 | 630 | 6348 | 8000 | 2650 | 2430 | 100 | 80 | 80 | 100 | 70 | 400 | 19800 |
备注:以上参数是参考搪玻璃卧式储罐规格参数,不锈钢储罐属于非标,具体参数与技术共同确定。
不锈钢储罐顾名思义就是具有防腐功能的大型储备设备,它是以不锈钢为原料制成的储罐。和普通的滚塑储罐相比,不锈钢储罐可以耐受更高的压力,在很多高压场合广泛使用,并且由于不锈钢储罐密封性好,大多用来储运食品,药品,并广泛的用于酿酒业和乳业。
不锈钢储罐顾名思义就是具有防腐功能的大型储备设备,它是以不锈钢为原料制成的储罐。和普通的滚塑储罐相比,不锈钢储罐可以耐受更高的压力,在很多高压场合广泛使用,并且由于不锈钢储罐密封性好,大多用来储运食品,药品,并广泛的用于酿酒业和乳业。
不锈钢储罐也是有很多种类型的,不管是按形式分,还是按用途分类,以及按卫生标准分类都是有可以把不锈钢储罐的种类罗列出来,下面我们就来看看不锈钢储罐的大体分类:
1. 食品制药类不锈钢储罐:
不锈钢配料储罐,不锈钢浓配储罐,不锈钢稀配储罐,不锈钢提取储罐,不锈钢反应储罐,不锈钢储液罐,不锈钢搅拌罐,不锈钢种子储罐,不锈钢硝酸储罐,不锈钢冰醋酸储罐,不锈钢二硫化碳桶罐,不锈钢水塔储罐。
2. 酿酒乳业类不锈钢罐:
不锈钢葡萄酒储罐,不锈钢白酒储罐,不锈钢酒储罐,不锈钢奶(乳)罐,不锈钢饮料储罐
3. 化工类不锈钢罐:
不锈钢油储罐,不锈钢运输储罐,不锈钢冷却储罐,不锈钢保温储罐,不锈钢热交换储罐,不锈钢缓冲罐,不锈钢室外储罐和化工行业的各级别不锈钢压力容器。
以上则是对不锈钢储罐的分类大体介绍了,我们已经了解了不锈钢储罐的分类,那么不锈钢储罐的特点我们也是不能遗漏的,那么我们就来了解不锈钢储罐的特点:
1.不锈钢罐有较强的耐腐性,它不受外界空气及水中余氯腐蚀。每个球罐出厂前均经受超强的压力测试和检验。
2.不锈钢罐密封性好;密封式设计彻底杜绝了空气飘尘中有害物质和蚊虫入侵罐内,确保水质不受外界污染和滋生红虫。
3.科学的水流设计使罐底的沉淀 物不因水流而翻起,保证生活用水和消防用水自然分层,经罐体出来的生活用水的混浊度降低 48.5% ; 但水压却明显的增加。有利于提高生活用水和消防用水设施的性能。
4.不锈钢罐无需经常清洗;水中的沉淀物质只而定期打开罐底的排污阀便可排出。每 3 年可用简易设备清除水垢一次,大大降低清洗费用和完全避免人体细菌病毒污染。
除了不锈钢储罐的以上特点外,不锈钢储罐焊接的特点,我们也可以了解的。不锈钢焊接特点:不锈钢导热系数小,在同样的电流下,可比低合金钢得到较大的熔深。同时又由于其电阻率大,在焊条电弧焊时,为了避免焊条发红,与同直径的碳钢或低合金钢焊条相比,焊接电流较小。
以上不锈钢储罐和不锈钢储罐焊接的特点,决定了不锈钢储罐的用途:
不锈钢储罐和普通的滚塑储罐相比,不锈钢储罐可以耐受更高的压力,在很多高压场合广泛使用,同时不锈钢储罐有个很显著的特点:罐体密封性能优异,彻底杜绝了空气中有害物质和蚊虫的侵入,确保罐内存放的液体不会受到外界污染,不会滋生红虫,因此不锈钢储罐大多用来储运食品,药品,并广泛的用于酿酒业和乳业。
由于各个行业和产品之间对不锈钢储罐的压力要求不同,而工作压力越大,筹划的不锈钢储罐厚度也越大。个中金属不锈钢储罐蒙受压力可以较大。非金属材料接受较小的压力或只能常压使用。不锈钢储罐的厚度是遵循差异体积、资料、比重、压力,通过实践共计或经验所得。所以如果客户有特殊的要求,可以同我们的技术人员交流,我们会按您的需求,打造出设备。
我公司以低廉的价格,现场制作大型不锈钢储罐,并自带制作不锈钢储罐的提升设备、焊接设备,以及各种技术人员,我公司对生产制作的产品质量负责,工人的安全负责,客户的满意度负责。
淄博福民24小时客户服务热线:如果您对不锈钢卧式储罐感兴趣或有疑问,请致电:0533-2860177/13906430854,淄博福民化工设备--您贴心的采购厂家。
上一篇:没有了
下一篇:没有了









